বহুতল ইমারজে ইলেকট্রিক্যাল ড্রয়িং

আজকে আমাদের আলোচনার বিষয় বহুতল ইমারজে ইলেকট্রিক্যাল ড্রয়িং

বহুতল ইমারজে ইলেকট্রিক্যাল ড্রয়িং

বহুতল ইমারতের ইলেকট্রিক্যাল ড্রয়িং

ইলেকট্রিসিটি বা বিদ্যুৎ ব্যতীত বর্তমান সভ্যতা অচল। কলকারখানা, শিল্পপ্রতিষ্ঠান, মার্কেট, হাসপাতাল প্রতিটি ক্ষেত্রই প্রত্যক্ষ বা পরাক্ষেভাবে বিদ্যুৎ দিয়ে চালিত। আবাসিক বাড়িও এর ব্যতিক্রম নয়। নগর জীবনের প্রার প্রতিটি কাজে বিদ্যুৎ অঙ্গাঙ্গীভাবে জড়িত।

ৰাতি, পাখা বা ফ্যান, বৈদ্যুতিক চুলা, হিটার, এয়ার কুলার, ওভেন, ওয়াশিং মেশিন, ওয়াটার পিউরিফায়ার (Water Purifier), ডিস ওরাশার ইত্যাদি প্রতিটি দৈনন্দিন ব্যবহার্য বস্তুই বিদ্যুৎ দিয়ে চালিত হয়। এসকল দ্রব্যাদির বা ফিচার সঠিক ও পরিপূর্ণ ব্যবহার এবং বিদ্যুৎ সাশ্রয় করার জন্য সঠিক জায়গায় সুষ্ঠু পরিকল্পনা অনুযায়ী ফিচার বসানো খুবই জরুরি। এতে বিদ্যুৎ সাশ্রয়ের পাশাপাশি শ্রমেরও অপচয় রাধে হয়।

ইলেকট্রিক্যাল লে-আউট (Electrical Layout) এর সংজ্ঞা

ইমারতে বৈদ্যুতিক সরঞ্জামাদির পূর্ণ ব্যবহার, বিদ্যুৎ অপচয় রাখে, দুর্ঘটনা এড়ানো এবং বিদ্যুৎ সরবরাহ ব্যবস্থা প্রদর্শনের জন্য যে নকলার বৈদ্যুতিক ফিচার ও ফিটিংস এবং ওয়ারিং-এর বিন্যাস দেখানো হয় তাকে ইলেকট্রিক্যাল লে-আউট (Blectrical Layout) বলে।

 

বহুতল ইমারজে ইলেকট্রিক্যাল ড্রয়িং

চিত্র : একটি বেড রুমের বৈদ্যুতিক ফিচার ও ফিটিংস এবং বৈদ্যুতিক ওয়্যারিং-এর বিদ্যাস

ইলেকট্রিক্যাল লে-আউট মূলত ওয়ার্কিং প্ল্যান যে স্কেলে করা হয় সেই একই স্কেলে করা হয়। এতে প্রধানত: নিম্নলিখিত বিষয় দেখানো হয়-

  • রুমে ফিচার, এ্যাপ্লায়েন্স ও ফিটিংস-এর অবস্থান
  • ফিচার ও ফিটিংস-এর সিডিউল তৈরি করা
  • বৈদ্যুতিক ওয়্যারিং-এর ব্যবস্থা
  • বিদ্যুৎ-সরবরাহ ব্যবস্থা বা বৈদ্যুতিক বর্তনী

ইলেকট্রিক্যাল ফিচার ও ফিটিংস (Electrical Fixture & Fitings) এর নাম

ইলেকট্রিক্যাল ফিচার (যে সকল সামগ্রী মানুষ সরাসরি ব্যবহার করে) ও ফিটিংস (ফিচার সংযোগ বা ব্যবহার করার জন্য যে সকল সামগ্রী ব্যবহার হরা হয়) সমূহের নাম নিচে দেয়া হল –

 

বহুতল ইমারজে ইলেকট্রিক্যাল ড্রয়িং

 

ইলেকট্রিক্যাল লে-আউট (Electrical Layout) এর প্রয়োজনীয়তা

নিম্নলিখিত কারণে একটি ইমারতে ইলেকট্রিক্যাল লে-আউট করা হয়—

  • রুমে কোথায় কোন ফিচার হবে তার সঠিক অবস্থান জানার জন্য।
  • ফিটিংসসমূহের অবস্থান কোথায় হবে তা নির্ধারণ করার জন্য।
  • ফিচার ও ফিটিংস-এর সিডিউল তৈরি করার জন্য।
  • বৈদ্যুতিক ওয়্যারিং-এর ব্যবস্থা দেখানোর জন্য।
  • বিদ্যুৎ সরবরাহ ব্যবস্থা বা বৈদ্যুতিক বর্তনী কি হবে তা ডিজাইন করার জন্য।
  • বৈদ্যুতিক দুর্ঘটনা এড়ানোর জন্য।
  • বিদ্যুৎ সংক্রান্ত ভবিষ্যৎ সম্প্রসারণের জন্য
  • সঠিকভাবে কণ্ডুইট ওয়্যারিং-এর জন্য।
  • টেন্ডারিং-এর সুবিধার জন্য।
  • সঠিক মাপে ফিকচার ক্রয় করার জন্য।।
  • দরজা-জানালার অবস্থানের উপর নির্ভর করে ফিচার বসানোর জন্য।
  • আসবাব অনুযায়ী ফিচার বসানোর জন্য, এবং
  • সময়, অর্থ সর্বোপরি বিদ্যুৎ সাশ্রর করার জন্য।

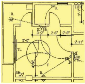
নিচে একটি বাড়ির টিপিক্যাল ফ্লোরের ইলেকট্রিক্যাল লে-আউট দেখানো হল—

 

বহুতল ইমারজে ইলেকট্রিক্যাল ড্রয়িং

 

প্রশ্নমালা

অতি সংক্ষিপ্ত প্রশ্ন

১. ইলেকট্রিক্যাল লে-আউট কাকে বলে?

২. ইলেকট্রিক্যাল লে-আউটে কী কী বিষয় দেখানো হয়।

৩. ইলেকট্রিক্যাল ফিচার কী?

৪. ইলেকট্রিক্যাল ফিটিংস কী?

সংক্ষিপ্ত প্রশ্ন

১. ফিচার ও ফিটিংস-এর পার্থক্য লেখ।

২. চারটি ইলেকট্রিক্যাল ফিচার ও চারটি ইলেকট্রিক্যাল ফিটিংস-এর নাম লেখ।

৩. ইলেকট্রিক্যাল লে-আউটের সিডিউল প্রস্তুতের কারণ বর্ণনা কর।

 

সার্ভেয়িং ১ সূচিপত্র

গুগল নিউজে আমাদের ফলো করুন

 

রচনামূলক প্রশ্ন

১. বিভিন্ন প্রকার ইলেকট্রিক্যাল ফিচার ও ফিটিংসসমূহের নাম লেখ।

২. যে কোনো পাঁচটি ইলেকট্রিক্যাল আইটেমের একটি ইলেকট্রিক্যাল লে-আউটের সিডিউল প্রস্তুত কর।

৩. ইলেকট্রিক্যাল লে-আউট-এর প্রয়োজনীয়তা বর্ণনা কর ।

আরও দেখুন :

Leave a Comment